View Issue Details

IDProjectCategoryView StatusLast Update
0001316vehicle serviceSuzuki EVERYpublic2025-06-07 14:47
ReporterDigitalMy 
PriorityurgentSeveritycrashReproducibilityalways
Status resolvedResolutionopen 
Summary0001316: Suzuki Every (2010) replace engine belts and tensioner
DescriptionOriginal Suzuki part /17521-68H00 for belt
Engine makes sound , especially on cold start
Repair:
1. Belt,water pump (5pk940) /17521-68H00-000 or 17521-68H01-000
5PK940 type
-> Bosch 1 987 947 917 as replacement belt
installed on 2020-07

2. V-belt for compressor air conditioner (4pk 765) /95141-67H00-000
/95141-67H10-000
4PK765 type

3. original tensioner is /17540-68H00
has integrated bearing
Steps To ReproduceDA64V- EVCS-4
Additional Informationand
4. water pump (may be damaged...)
/17400-68822-000 or /17400-68825-000
TagsNo tags attached.

Relationships

related to 0001315 resolvedDigitalMy Suzuki Every (2010) replace front hub bearing 

Activities

DigitalMy

2020-03-03 16:38

administrator  

DigitalMy

2020-03-03 23:08

administrator  

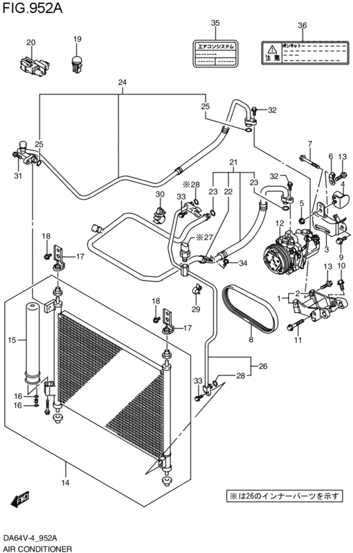
DA64V-4_952A_air.png (43,712 bytes)
DA64V-4_952A_air.png (43,712 bytes)

DigitalMy

2020-04-11 11:19

administrator   ~0002892

Last edited: 2025-06-07 14:43

View 3 revisions

Air cooler compressor belt:
4PK765 -> replacement TSN 101432765
installed on 2020-07-01

DigitalMy

2020-07-05 11:59

administrator   ~0003934

Last edited: 2020-09-06 11:38

View 8 revisions

Found non-smooth loud no grease belt tensioner rotation /17540-68H00-000 TENSIONER, WATER PUMP BELT -> replace need (bearing wear level is very high)
it is used for 5PK940 belt (same belt on DA64W),
on belt replacement procedure one need to remove this tensioner...

it is adjusted with w=12mm BOLT, for BELT TENSIONER /17545-65H00-000 (2pcs: one fixed and one for slot)
it is made from bearing 6909DUM1 NSK 45*68*12

there are many compatible models for 4PK belt - 17mm , and this wrong model installed now to current DA64V ...
got model tensioner pulley Stellox 03-40689-SX D=80mm H=17mm
used press and moved external ring for 2mm - so, now it is in the belt middle and works fine (smooth, silent)
installed 2020-08

but originally this engine needs 20mm width tensioner for 5PK belt (wider) , rare... find this model 17540-68H00 later
same bearing used in original DA64V tensioner, but external ring is different, may be pressed



DA64V_121A_belt_.png (44,510 bytes)
DA64V_121A_belt_.png (44,510 bytes)

DigitalMy

2020-09-06 11:48

administrator   ~0003958

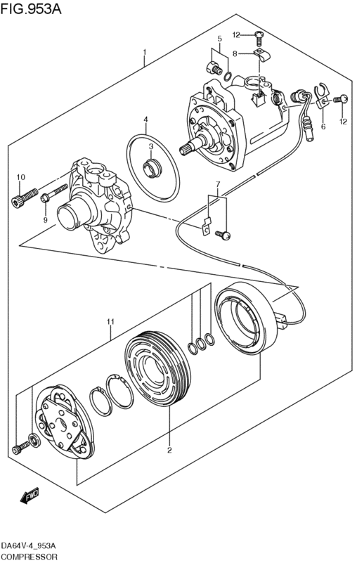
found backlash in compressor /95200-58J11-000 pulley (Clutch,magnet) /95210-58J11-000

DA64V_953A_compressor.png (39,281 bytes)
DA64V_953A_compressor.png (39,281 bytes)

DigitalMy

2020-09-06 12:00

administrator   ~0003959

Last edited: 2025-06-07 14:17

View 2 revisions

Next time with this belt tensioner need replacemnt of its 2 bolts
17545-65H00-000


Tensioner is SPK TT1501S



DigitalMy

2020-09-13 21:30

administrator  

03-40689-stellox.JPG (629,785 bytes)

DigitalMy

2021-04-04 14:49

administrator   ~0004004

Last edited: 2025-06-07 14:42

View 5 revisions

2021: replaced main belt 5PK940
Bosch 1987947917 -> Mobiland 501250940

and belt tensioner (2022):
Stellox 03-40689-SX (modified by press)

Next time used roller (2024):
SAT ST1754066J00 (modified by press)

DigitalMy

2025-06-07 14:46

administrator   ~0014441

Last edited: 2025-06-07 14:47

View 2 revisions

2025: ordered "AGN" tensioner and Bosch 1987947917 belt
leave compressor off again without belt