View Issue Details

IDProjectCategoryView StatusLast Update
0004394vehicle serviceSuzuki EVERYpublic2022-02-10 19:55
ReporterDigitalMy 
PrioritynormalSeverityminorReproducibilityalways
Status assignedResolutionopen 
Summary0004394: Replace damaged selector position sensor
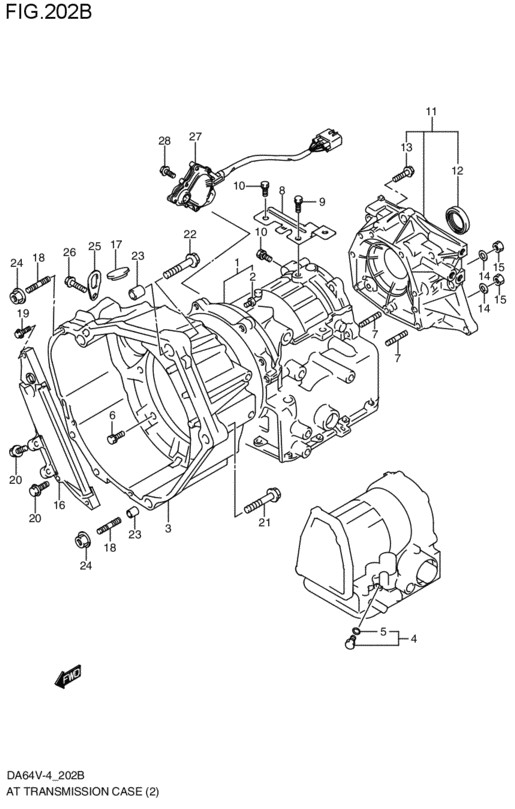
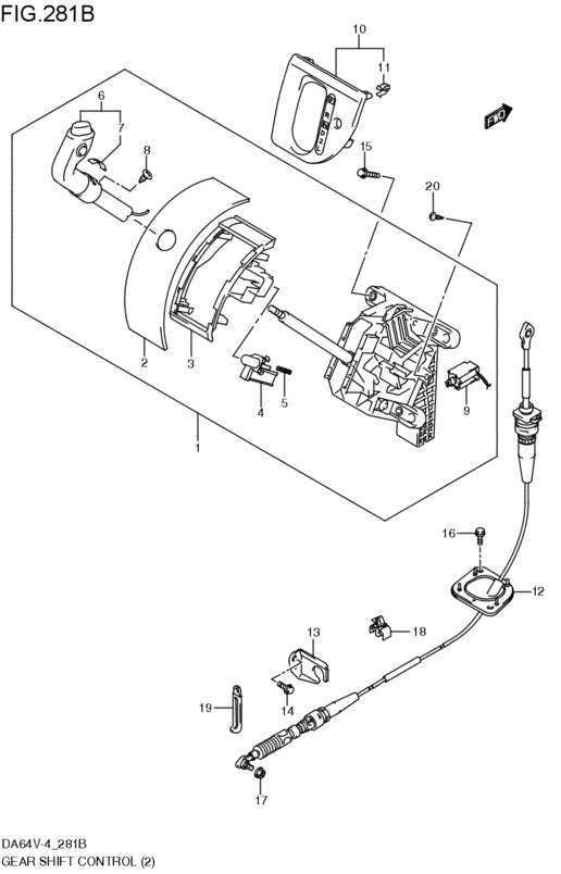
DescriptionLocated on transmission case right side, near gear shift control cable
3AT (4WD and 2WD) model
SWITCH ASSY, SHIFT /37720-78A01-000

Found cracked plastic of selector - this made liquid come into housing and given corrosion on copper pads
cleaned inside and reassembled - but it moves not accurate now,
also damaged nut thread
TagsNo tags attached.

Activities

DigitalMy

2022-02-10 19:33

administrator  

DA64V_202B_AT_.jpg (78,602 bytes)
DA64V_202B_AT_.jpg (78,602 bytes)

DigitalMy

2022-02-10 19:55

administrator   ~0007149

4AT has different switch, without wire /37720-68H10

Cable tested - its fine, can be used after sensor replacement