View Issue Details

IDProjectCategoryView StatusLast Update
0001318vehicle serviceSuzuki EVERYpublic2020-07-07 17:04
ReporterDigitalMy 
PrioritynormalSeverityminorReproducibilityhave not tried
Status assignedResolutionopen 
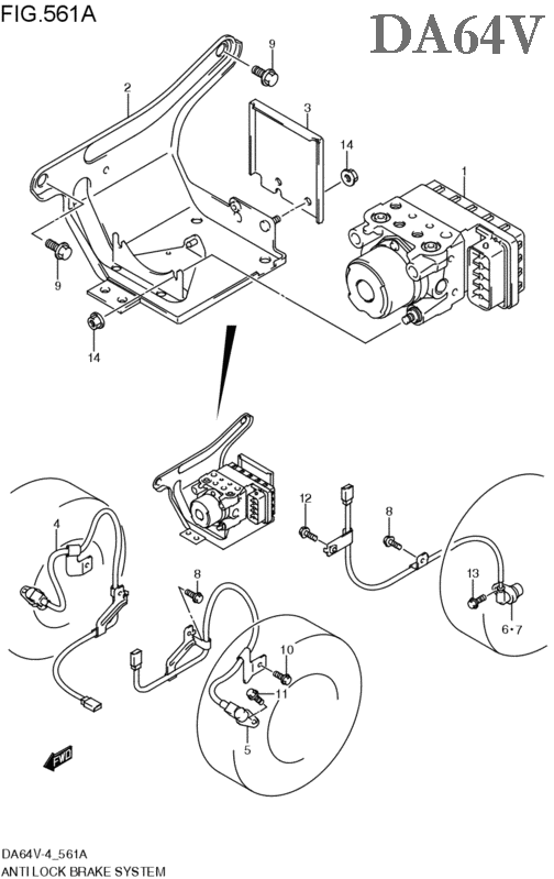
Summary0001318: Replace ABS sensor
DescriptionFront left wheel damaged sensor /56220-68H10-000 or /56220-68H11-000
ABS:4WD
Steps To ReproduceIn advance fix parking brake light sensor
TagsNo tags attached.

Relationships

related to 0001315 resolvedDigitalMy Suzuki Every (2010) replace front hub bearing 

Activities

DigitalMy

2020-04-05 11:41

administrator  

DA64V-4_561A_ABS.png (36,518 bytes)
DA64V-4_561A_ABS.png (36,518 bytes)

DigitalMy

2020-04-05 11:48

administrator   ~0002888

Same sensor /56220-68H10 used on DA64W models (but only for 4WD variants) ,
replacement /56220-68H11 was not mentioned in catalog

DigitalMy

2020-07-07 17:04

administrator   ~0003935

Also have damaged thread on right side for ABS line bracket Bolt (SCREW installed non-original) /02162-0612A-000