View Issue Details

IDProjectCategoryView StatusLast Update
0001331vehicle serviceSuzuki EVERYpublic2021-01-31 01:39
ReporterDigitalMy 
PrioritynormalSeverityminorReproducibilityhave not tried
Status resolvedResolutionfixed 
Summary0001331: Brake warning light on dashboard in DA64V
DescriptionBrake warning light is on even if there is no brake pedal pressed
Had checked switch on pedal - it works fine (closes to GND)
wire is red+black line (one)

Need research and fix (turn off this warning light)
TagsNo tags attached.

Activities

DigitalMy

2020-09-06 12:31

administrator  

DigitalMy

2020-09-06 12:36

administrator   ~0003961

Last edited: 2020-09-12 18:53

View 3 revisions

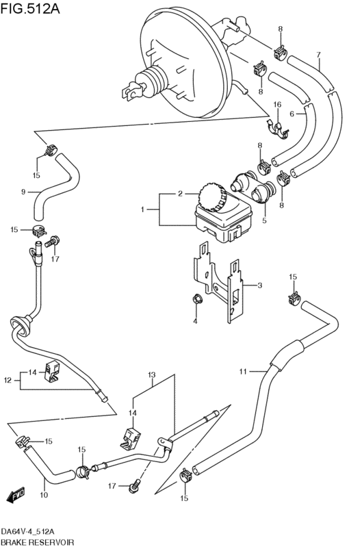
Need to check level of DOT-3 brake fluid (as specified in Suzuki owner manual for DA64V)

Also check if there is any sensor in ABS system integrated...

Found level sensor has got jammed with dirty fluid - washed reservoir with DOT-4 and added new fluid to the max level - it fixed light



DigitalMy

2020-09-06 12:53

administrator   ~0003962

Last edited: 2021-01-31 01:36

View 4 revisions

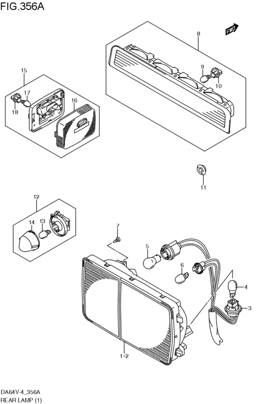
Check rear brake lights
especially those bulbs replaced with LED (try to use original lamp)
-> no LED currently

2020-09-11
all bulbs are fine:

W21/5W double brake lamp /09471-12192-000
replacement /Nord Yada 900116 -> 2021-01-30 done
PY21W turn lamp /09471-12186-000
-> OK
W16W rear drive lamp /09471-12146-000
-> OK



DigitalMy

2021-01-31 01:39

administrator  

Nord_Yada_900116_.jpg (49,601 bytes)
Nord_Yada_900116_.jpg (49,601 bytes)