View Issue Details

IDProjectCategoryView StatusLast Update
00001523D machine tool[All Projects] Generalpublic2018-12-04 21:26
ReporterDigitalMy 
PriorityhighSeverityfeatureReproducibilityN/A
Status checkingResolutionopen 
Summary0000152: Build 3D machine tool for home use: printer+scanner+cutter
DescriptionMain functions:
1. 3D laser cutter (near 50W) and milling engraver
2. 3D printer (plastic) dual extruder
3. 3D scanner
4. 3D mechanical milling engraver

A. Make a list of details
B. Find offers on market, calculate prices

Name: INCUBATOR
TagsNo tags attached.

Activities

DigitalMy

2015-03-25 01:46

administrator   ~0000234

Last edited: 2018-12-03 23:42

View 4 revisions

Step one:
find space to put this machine.
Found half extended windowsill. Or full width
Area available is (L*W*H) 720*650*1500mm

Would be good to use cube area 650mm(^3) -> not indeed / cancelled this size

Step two:
 frame.
Found T-groove aluminium frame (square 20mm side):
8pcs * 610mm (top and bottom) +
4 corner elements * 650mm length -> used for K3sto.
Made from 2 bars of 4m length aluminium extrusion profile.

Remake:
L=1300mm
W=410mm
H=900mm

DigitalMy

2015-03-25 10:18

administrator   ~0000235

Regular 3D printer Prusa i3 dimentions are near 440mm(^3),
and its print volume is 200mm(^3),
so I expect up to +200mm each dimention enlargement,
with total volume 400mm(^3)...

DigitalMy

2015-03-26 09:10

administrator   ~0000236

Last edited: 2015-03-26 15:50

View 4 revisions

For high precision, decided to use metal shafts only (not belts) on step motor:
X (left to right): 1 spiral metal shafts (M8)
Y (front to back): 1 spiral metal shafts (M8)
Z (down to up): 2 spiral metal shafts (M8)

This scheme (wihtout belts) was tested by http://reprap.org/wiki/Lautr3k project.
And he did use the same frame material.
Speed is not as low as expected, over 100mm/s. Will think on how to make it faster.
The best on market (Ultimaker 2) gives 300mm/s.

DigitalMy

2015-03-26 09:58

administrator  

600158.jpg (5,453 bytes)
600158.jpg (5,453 bytes)

DigitalMy

2015-03-31 17:48

administrator   ~0000242

Electrical: in excel file

1. Arduino CNCShield V3 Shield (for RAMPS 1.4) *2
2. Arduino Mega 2560 R3
3. Reprap smart LCD 12864 display controller (for RAMPS 1.4)
4. A4988 DMOS microstepping driver (*8)
5. Mechanical Endstop (*5)
6. SD-card Ramps module
7. heatbed MK2B
8. USB wire
9. LED to board Connector smart adapter
10. LCD 30 cm cable (*2)
11. stepper motor Nema 17 75oz (*5)
12. cable for endstop (*5)
13. MK8 Extruder Head
14. heatbed cable
15. Power supply 350W

DigitalMy

2015-03-31 17:51

administrator   ~0000243

Motion:
Ordered 10pcs stepper motors
Model 17HS4401N
1.8 degree
40mm length
3.4 V
1.7 A
2 om
55 oz.in
0.24 kg
D5mm end, L24mm
42.3mm*42.3mm*40.3mm body

must be compatible with DM420A drivers and even DRV8825

DigitalMy

2015-03-31 18:01

administrator   ~0000244

Plastic ABS should give 1,05 g/sm? density

DigitalMy

2015-04-29 20:24

administrator   ~0000247

Last edited: 2016-09-11 18:49

View 2 revisions

Laser modules on market,
have 12W maximum power (without CO2)

DigitalMy

2015-04-30 18:50

administrator   ~0000249

Last edited: 2018-12-04 10:08

View 5 revisions

first Machine project (never made)
INCUBATOR LM -> frame from 20-20 profile,
with fixed table 646*646mm,
8mm rods smooth WC8 steel stainless, on lm8uu bearings,
with aluminium parts

x-distance between z-shaft and z-leadscrew is 17mm, y-difference=0 (in 1 line)

DigitalMy

2015-04-30 18:57

administrator   ~0000250

Last edited: 2015-04-30 19:20

View 7 revisions

USE Z-axis smooth rods on SF8 support holder - screwed to inner frame cube (610*610*610mm) it gives minus 20mm each side,
distance between centers of linear motion Z shafts is (?x) 570mm,
standard prusa offset for x-shafts on left-end is 10mm (X_end_idler), on right-end is 10mm (X_end_motor),
so, total length of X-rods = 590mm.
On motor side we have additional offset (?x) 44mm (total 54mm),
which resulted in frame-side x-offset 14mm (not good) over the edge

DigitalMy

2017-03-06 15:19

administrator   ~0000483

Last edited: 2017-03-08 10:59

View 3 revisions

4. For milling purpose, purchased spindle head:
300W (max. power fits standard supply)
D=8mm shaft , D=52mm body motor,
total length 175mm (with collet, but no mill), ER11 collet,
mounting block has total size 90*40*68mm, 4pcs M6*70 screw, aperture centers located on rectangle 70*20mm

DigitalMy

2017-03-07 00:34

administrator   ~0000484

Set of tools is the same as in ZMorph machine. https://zmorph3d.com/

DigitalMy

2018-12-04 10:20

administrator   ~0000721

Last edited: 2018-12-05 14:52

View 9 revisions

INCUBATOR 3D2 project (2018)
will be "integrated" into window sill stand (rack) and gets size
L=650mm exactly (half of total space 1300mm) -> x-axis
W=410mm exactly (full slot space) -> y-axis
H=900mm approximately (for machine of total 1550mm) -> z-axis


mechanics -> keep original idea with fixed table (lower) and
moving z-platform (4pc leadscrew and 4pc nema17 motors),
carriages will use 6mm GT2 belts: big x-carriage - 2pc belts and 1 motor; small y-carriage - 1pc belt and 1 motor.
There are 3 belt levels in this 20mm:
upper belt: from 0mm to 6mm
middle belt: from 7mm to 13mm
lower belt: from 14mm to 20mm
leave 1mm exact distance between moving parts as designed bearings too,
we assume pulley flanges are 1mm too -> single GT2-6 pulley will be H=1+6+1=8mm and double pulley H=1+6+1+6+1=15mm (unused theory triple 1+6+1+6+1+6+1=22mm)
Belt GT2-6 width we assume W=1.4mm.


Main dimensions:
X/Y motor axis are vertical and located 63.5mm from front/rear frame side -> holder plates are from 42mm to 85mm (W=43mm), leaving 240mm space for carriage in 410mm frame.
Head slot between belts is 41mm

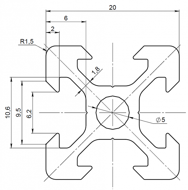
DigitalMy

2018-12-04 21:17

administrator  

profile_20x20_.png (159,148 bytes)
profile_20x20_.png (159,148 bytes)

DigitalMy

2018-12-04 21:26

administrator   ~0000722

INCUBATOR 3D2 part list:

F (frame) section:
F.001: 2020-900 =4
F.002: 2020-610 =4 (in stock)
F.003: 2020-370 =4
F.004: 2020-608 =2
F.005: 2020-328 =2
F.006: 2020-326 =2

B (mechanics) section:
B.001 608ZZ d8 D22 H7 =18
B.002 F623ZZ d3 D10 Df11.4 H4 =8