View Issue Details

IDProjectCategoryView StatusLast Update
0000270vehicle serviceSuzuki EVERYpublic2025-08-20 21:13
ReporterDigitalMy 
PrioritynormalSeverityminorReproducibilityhave not tried
Status assignedResolutionopen 
Summary0000270: Suzuki Every (2010) repair interior and body
DescriptionDA64V body , generation 4

Repair:
1. hood + front right body damage -> currently normal state
2. rear door damage
3. corrosion body parts - everywhere (many places)
4. internal rear salon\cabin lamp assy /36210-68H00-6GS or /36210-68H02-6GS
4.1. lens /36212-68H00 or /36212-68H01-000 -> 500RUR
4.2. BULB (12V,8W) /09471-12113 -> get LED -> installed LED plate
4.3. socket for bulb /36218-74F00-000 -> purchase priority 90RUR -> done "Toshiba V-2"
it is standard socket used in many vehicle models

Steps To ReproduceDA64V-392548
is EBD-DA64V

frameno: DA64V
serialno: 392548
catalogno: DA64V-4
modelcode: DA64V
modelname: CARRY/ EVERY
modelnameno: 09
year: 2010
month: 01
colorcode: Z2S (SILVER, SILKY SILVER, SILKY SILVER-MET, 1998 - 2015)
trimcode: C02
code: ABS
blockcode: 10
TagsNo tags attached.

Relationships

related to 0000293 assignedDigitalMy Suzuki Every (2010) repair body rust 
related to 0001315 resolvedDigitalMy Suzuki Every (2010) replace front hub bearing 
related to 0007511 resolvedDigitalMy Replace front brake pads and disks in DA64V 

Activities

DigitalMy

2018-11-01 19:07

administrator   ~0000691

Last edited: 2020-09-06 13:54

View 14 revisions

EBD-DA64V
body size 3395 x 1475 x 1875mm
fuel tank 40L
class: minicar (light)
body: DA64V: VC
color: Z2S C02
Years: 2008 - 2011
Sales region: Japan
supercharge: 4V
drive: 4WD
transmission: AT
grade: VC
number of the gears: 3AT
abs: ABS (antilock brake system)
wheel: STEEL
join - has 2 passenger seats
high roof
07.2007 - 04.2010
K6A engine gasoline 660 cc
EVCS-4 (mod)
fuel efficiency 15.0km/l



-> possible upgrade to EVDY (turbo) mod with grade VD and gears 4AT (same 4WD, but different gearbox)
type (JOIN TURBO) DA64V-3



http://www.suzuki.co.jp/car/every/detail/spec_join.html

DigitalMy

2018-11-01 22:23

administrator  

356N.png (33,609 bytes)
356N.png (33,609 bytes)

DigitalMy

2018-11-02 01:12

administrator   ~0000692

Last edited: 2025-06-19 09:12

View 7 revisions

Analogs (similar minibus models):
Mazda Scrum DG64V
Nissan NV100 Clipper (2 generation), DR64V (12.2013 - 02.2015)
Mitsubishi Minicab DS64V

Suzuki Frame DA* history:
EBD-DA64V 2005~2013
HBD-DA64V 2013~2015
HBD-DA17V 2015~2025

DigitalMy

2018-11-02 08:37

administrator   ~0000693

Last edited: 2018-12-02 12:57

View 3 revisions

Seats:
Rear: Headrest /86401-68H11-EKL
    alternative: 2008-01-01~ /86401-68H12-EKL

Installed set of rubber pads (slot mats) -> 2018 "smabee" compatible tuning

DigitalMy

2018-11-02 09:00

administrator   ~0000694

Last edited: 2020-09-06 13:55

View 13 revisions

Keys:
433MHz (315MHz)? ID46 Chip ? HU86 (HU87 or HU133R) blade ?
original key measured: teeth area must be 28mm*8mm, blade 44mm*10mm (plus 4mm free length), thickness 2.5mm

rubber U33CV16-27 /37198-76G00
board 94V-0 GCMK-G3X U33PB25A 6 - SWITCH,TRANSMITTER KEYLESS /37182-58J01-000
battery CR1220 /37185-76G50-000
cover 9D2G U33CS15 4 ABS
chip 9861 035 940K
radio 31224 E a9xc SAW



key assy /37145-58J00-000


For lock control unit
code
36795B: controller assy, auto closer /36795-68H00
36790A: controller assy, power slide door /36790-68H30
38690B: controller assy, auto step /38690-68H01
36790: controller assy, power slide door /36790-68H20
38880: controller assy, automatic (computer), one socket /38880-68H00
33945: sensor assy, transmission lever /33945-82C10
38720: controller assy, power steering H7 /38720-68H00
38620A: controller assy, auto leveling /38620-68H00
36770: controller assy, body , 2 sockets /36770-68H40 /36770-68H50 /36770-68H51 (key computer receiver)
38885: controller assy, four /38885-68H01


http://suzuki.epcdata.ru

DigitalMy

2018-11-02 12:04

administrator   ~0000695

Last edited: 2019-02-04 16:14

View 12 revisions

Wheels:
use existing disk W=6.0inch=152mm R=14.0inch=356mm ET=38mm -> 114mm from stand (closer to stand)
try both front and rear axle, define ET

+ tyre: for that disk 175-200mm wide,
Yokohama Ice Guard IG-30 175/60 R14 79Q -> best size for 6" disk
expect 175/60(105mm) or 185/55(102mm) to fit arc good ~560mm
tested 185/60 - it fits, but in most turned position have contact somewhere, so use tyre W=175mm/60% for better
R14*6.0inch_ET38mm disk fits good

Yokohama Avs Winter V901, 185/55 R14 80T
Bridgestone Blizzak Revo2, 185/55 R14
Dunlop DS 2, 185/55 R14
Continental ContiWinterContact TS 860 185/55 R14 80T
Hankook W452 Winter i cept RS2 185/55 R14 80T
Hankook Winter I*Cept RS W442 175/60 R14 79T
Yokohama Ice Guard IG50 175/60 R14 79Q

Yokohama A539 185/50 R14 77V (Yokohama C. Drive AC01, 185/50 R14 77V)


Had installed before on DA64V:
tyre 165/65(107mm) R13inch=330mm 77S ~545mm
disk 4.5JJx13 ET50; PCD 4x100mm ; 114/2+50=107mm from stand
(ET45mm for 4" disk ~102mm)
Manual offered 165/60R14+4.5J_ET50


rim width/2+ET must be same = 51+45=96mm ~100mm ?
ET=100mm-(W/2)mm=24mm ? need 38-24=14mm spacer...

DigitalMy

2018-11-02 13:41

administrator   ~0000696

Last edited: 2021-01-24 12:56

View 4 revisions

Battery:
located in rear compartment under floor.
Terminal type: A
Battery assembly 38B20L, 12v, 28ah /5hr
127*187*227
Suzuki /33610-71320-000
Bosch S4 018 12V 40Ah 0 092 S40 180
Varta 540126033 330A max current -> installed 2021-01-22

DigitalMy

2018-11-05 22:08

administrator   ~0000697

Last edited: 2019-09-11 12:10

View 6 revisions

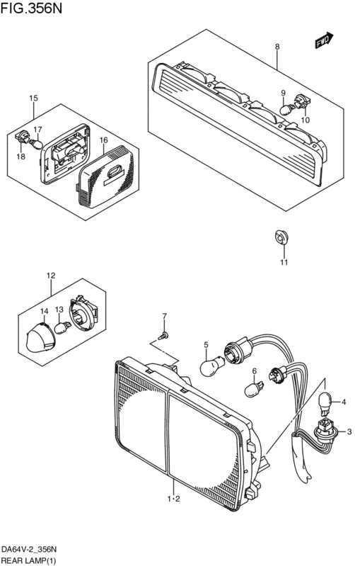
Bulbs\lamps inside:
T10 type -> rear cabin lost -> same for DA17V and DA16T models

also need socket /36218-74F00-000 (same used in rear door stop and in front mirror ROOM LAMP)
size locker aperture D=12.5mm (1/2") /15.5mm , contact flange D.max=20mm
similar to Philips PC194 PC195 type
actually the same as Toyota Sera meter panel and in many other cars - standard

try to print lens replacement for /36212-68H01

DigitalMy

2018-11-06 16:28

administrator   ~0000701

Last edited: 2020-09-06 13:56

View 5 revisions

Book\manual

TP224 /99011-68H40 (2012)
/99011-68H00 (2005)
/99011-68H10 (2006)
TP216 /99011-68H30 (2011)
 (van)
and other books
+CD

DigitalMy

2018-11-06 17:05

administrator   ~0000702

Last edited: 2019-09-11 01:10

View 5 revisions

CLIPS:

salon has
TRIM QUARTER
CLIP(BEIGE) for aperture D=8mm, pin d=6mm /09409-08308-R8H

headlamp has clip /09409-08327-000
8mm (D) , same as Masuma KJ-1984 and
AMIWA 5035203 -> purchased 10pcs

front bumper and fender lining need same clips 5pcs /09409-08327-000

DigitalMy

2018-11-06 22:49

administrator   ~0000703

Last edited: 2025-06-19 09:25

View 5 revisions

DA64V headlamp:
Unit, rh /35120-68H51-000
/35120-68H52-000
damaged mounts repaired -> replace HCR-504 part
variants:
LE04G6129
LE04H6129 -> replaced in 2019 this model , but it happened without motor level...

Main bulb H4 60/55 /09471-12182-000
-> replaced 2025-06-18 left side
LYNXauto L10460
Stellox 99-39035-SX

DigitalMy

2018-11-07 12:30

administrator   ~0000705

Last edited: 2019-09-10 18:47

View 2 revisions

Front right fender panel /58511-68H00-000
and lining
-> replaced 2019

with bumper corner (repair damage of bumper bottom with soldering)

DigitalMy

2018-11-07 12:31

administrator  

576A.png (18,904 bytes)
576A.png (18,904 bytes)

DigitalMy

2018-12-02 12:55

administrator  

DigitalMy

2018-12-14 11:02

administrator  

Suzuki_36218-74F00-000.JPG (277,024 bytes)

DigitalMy

2019-02-18 10:47

administrator  

351A.png (31,514 bytes)
351A.png (31,514 bytes)

DigitalMy

2019-09-11 17:14

administrator  

DigitalMy

2019-09-15 11:58

administrator   ~0000808

Last edited: 2021-01-28 20:10

View 3 revisions

Replaced rear bumper /71811-68H00-Z2S and tail lights
2019-09-13 -> done


2020-12-13 damaged rear bumper and right lamp again,
get replacement /35650-68H00



DigitalMy

2021-01-31 01:22

administrator  

G-Brake_GP-09027_.jpg (30,085 bytes)
G-Brake_GP-09027_.jpg (30,085 bytes)