View Issue Details

IDProjectCategoryView StatusLast Update
0000273vehicle serviceSuzuki EVERYpublic2024-07-01 20:31
ReporterDigitalMy 
PrioritynormalSeverityminorReproducibilityhave not tried
Status assignedResolutionopen 
Summary0000273: Install parking radar and multimedia with rearview camera
Description1. SHO-ME Y-2616N04, silver (22mm) =15USD
2. Android GPS WiFi 4-core 2GB_RAM 16GB_ROM AD8162009 (2-DIN) + CAMERA4 =150USD
3. Bluetooth ELM327 V1.5 OBD-II diagnostic tool
TagsNo tags attached.

Activities

DigitalMy

2018-11-12 23:37

administrator   ~0000708

Last edited: 2018-11-14 00:06

View 9 revisions

3. There is unknown OBD protocol

SDL-KWP is Suzuki K-Line protocol (ISO 14230-1 and ISO 14230-2 with fast initialization) : 16-pin connector with pin 7 or/and pin 6 and 14, but not 9;
SDL-CAN is CAN bus protocol
SDL - old 5V level protocol : 12-pin connector ; or 16-pin connector with pin 9 connected;

List of supported in ELM327 v.1.5 (not in v.2.1):
SAE J1850 PWM (41.6 kbaud)
SAE J1850 VPW (10.4 kbaud)
SAE J1939 CAN (29 bit ID, 250 kbaud)
ISO 9141-2 (5 baud init, 10.4 kbaud)
ISO 14230-4 KWP (5 baud init, 10.4 kbaud)
ISO 14230-4 KWP (fast init, 10.4 kbaud)
ISO 15765-4 CAN (11 bit ID, 500 kbaud) - HS CAN
ISO 15765-4 CAN (29 bit ID, 500 kbaud)
ISO 15765-4 CAN (11 bit ID, 250 kbaud)
ISO 15765-4 CAN (29 bit ID, 250 kbaud)

PIC18F25K80 chip expected

not DLC (Data Link Connector)
port is SAE J1962 16-pin 2-row

DigitalMy

2018-12-11 00:01

administrator   ~0000727

Last edited: 2024-07-01 20:22

View 2 revisions

Head unit purchased

AD8162009 hizpo

2024: fails to work stable: cycle reboot failure

DigitalMy

2019-02-17 21:59

administrator   ~0000749

Last edited: 2024-07-01 20:31

View 8 revisions

Original DA64V multimedia unit is Sanyo 39101-72J5X-CYY CDF-R3013E E-0L975890
Has 4 jacks: Antenna (02-pin); CD-changer (14-pin) ; TEL/AUX (08-pin); and main speakers+power: 20-pin


20P (HWH-807 Honda Acura, 1998-2013)

DA64V unit has only 8-wire pinned (out of 20 pins):
02 - white+black = switched battery power +12V
07 - red = FR+
08 - blue = FL+
09 - red+yellow = illumination +V
10 - white = backup battery power +12V
17 - red+black = FR-
18 - blue+black = FL-
20 - black - GND

add HWH-806 BHA1721 port for new unit, solder (cut connector from ISO HO-99 adapter, without ISO side)

add "Filter and fuse box" module, designed for ACC and BAT and GND lines:
first line coil+fuse.1A (use for side connector - parking radar)
second line coil+fuse.7A+capacitor.1mF (use for BAT +12V power)
Yellow battery powerful wire is main load one, for internal amplifier;
Red ACC switched line is just for ON signal

DigitalMy

2019-02-17 22:13

administrator  

DigitalMy

2019-02-18 01:12

administrator  

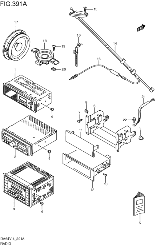
391A.png (41,031 bytes)
391A.png (41,031 bytes)

DigitalMy

2019-02-18 19:52

administrator  

DigitalMy

2019-02-18 19:59

administrator  

radio_connector_DA64V.JPG (532,054 bytes)

DigitalMy

2019-03-01 19:43

administrator   ~0000757

As for installation of additional equipment,
parking radar,
need to find wire harness scheme for DA64V
pinouts are unknown...

Central panel has coupler:

DigitalMy

2019-03-01 19:43

administrator  

DA64V-4_366A_wiring.png (56,099 bytes)
DA64V-4_366A_wiring.png (56,099 bytes)

DigitalMy

2020-09-09 18:51

administrator   ~0003964

ELM327 V1.5 WiFi purchased
because this head unit does not support bluetooth client mode , only bluetooth server...

WiFi_ELM327.jpg (25,179 bytes)
WiFi_ELM327.jpg (25,179 bytes)

DigitalMy

2020-09-13 23:29

administrator   ~0003968

Last edited: 2020-09-14 00:47

View 3 revisions

Original DA64V diagnostic port (from 1996 Suzuki 16-pin J1962 "OBD2" connector)
has 4 pins connected only:
04 - GND power
05 - GND data
07 - data "K line"
16 - DC power +12V (battery) > replace to ACC +12V

This is protocol SDL/KWP , and uses data pin 7 (KWP2000 protocol) as specified by the J1962.
The Factory Service Manual for some models states the protocol to be ISO9141-2, this is because KWP2000 is a software protocol, it uses the ISO9141-2 hardware interface.
Mode 1, PID0 (0100) request, 0x7F response means that it is an OBD1 ECU
This K-line may have (ISO 9141-2 and ISO/DIS 14230-4 and KWP SLOW and KWP FAST) software protocol...



DA64V_OBDII_pinout.jpg (75,728 bytes)
DA64V_OBDII_pinout.jpg (75,728 bytes)

DigitalMy

2021-07-11 14:18

administrator   ~0007050

Last edited: 2021-07-12 11:25

View 6 revisions

Got V20 OBD GPS tracker
device for test (made 2019)

Application "track scend" is not available and www.obdgps123.com is out of service (2021)

problem that on connection to power +12V it turns off mobile GSM module and GPS as well...

SMS to set internet access point:
#apn#=MTS,internet.mts.ru,mts,mts#
(answer from device will be <Apn OK> internet.mts.ru Current plmn:25001)

Set server:
#host#=ov.tk,7707#
(answer from device will be <New Server OK> ov.tk:7707)

On my custom SSL port I got 15 bytes from device 7e:00:02:00:00:00:57:04:45:62:59:00:1f:30:7e after setup and restart
Need custom firmware or at least original protocol