View Issue Details

IDProjectCategoryView StatusLast Update
0007454vehicle serviceToyota SERApublic2025-09-16 13:15
ReporterDigitalMy 
PrioritynormalSeverityminorReproducibilityhave not tried
Status assignedResolutionopen 
Summary0007454: Recover air and liquid pipes intake EXY10
DescriptionToyota Sera 5E-FHE engine has many pipes under hood
Recover original gas and liquid pipes near engine, especially throttle
TagsNo tags attached.

Activities

DigitalMy

2024-08-17 18:51

administrator  

SERA_air_pipes_intake.png (54,133 bytes)
SERA_air_pipes_intake.png (54,133 bytes)

DigitalMy

2024-08-17 19:07

administrator   ~0014328

Last edited: 2025-06-18 01:05

View 6 revisions

Throttle body has connectors (in addition to central huge input and output):
Bottom:
1. Anti-freeze hose from thermostat
2. Anti-freeze hose to liquid cooler (water) pump
4. Air hose to metal commuter (mini manifold rear of intake manifold)
5. Air hose to control valve on steering rack
Top:
3. thick hose to vacuum switching valves (pair), with intermediate round gas filter
9. thin hose from charcoal canister adsorber - intake of gas air petrol mix
(since 1991-05 in SERA03 with gas filter, before - direct plastic pipe)
9.1. For SERA03 one more VSV added to adsorber canister hose /90910-12121, SERA01 has direct thin plastic pipe from throttle to adsorber charcoal canister


Intake manifold has extra pipes:
8. out to MAP (manifold air pressure) sensor with gas filter on pipe d=4mm
10. splitted with 11. rear middle dual input from VSV (both)
12. input from fuel bypass valve (petrol return and pressure regulator) to cylinder one bypass
hose is 7.5mm * 14.5mm * L=300mm
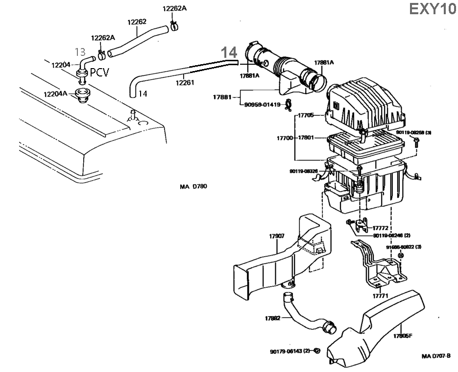
13. crankcase ventilation middle hose (with valve on cam cover) to intake manifold (managed by PCV=positive crankcase ventilation valve)
15. rear vacuum hose to brakes
16. right side outlet to electric idle valve, hose goes to metal commuter pipe

Air bypass way for cam ventilation:
14 . hose from cam cover left side to filtered air flexible huge hose before throttle , used to take clean air into cam

DigitalMy

2024-08-17 23:57

administrator   ~0014329

Last edited: 2024-08-18 01:01

View 3 revisions

Air bypass way for cam ventilation:
14 . hose from cam cover left side to filtered air flexible huge hose before throttle , used to output extra gas from cam to intake (similar to PCV nearby)



SERA_air_filter.png (85,649 bytes)
SERA_air_filter.png (85,649 bytes)

DigitalMy

2024-08-22 22:14

administrator   ~0014339

Check both magnetic valves

DigitalMy

2025-09-16 13:15

administrator   ~0014497

Petrol lines:
IN01 main line from tank to filter
IN02 filter under hood (left side)
IN03 hose from filter to injector ramp 23801F
IN04 ramp injector 23807
OU05 return valve pressure regulator 23280
OU06 return tube on ramp 23801P
OU07 hose from ramp return to back line D=12.5mm with clips 11mm
OU08 return line to tank

SERA_fuel_throttle.png (63,666 bytes)
SERA_fuel_throttle.png (63,666 bytes)