View Issue Details

IDProjectCategoryView StatusLast Update
0000066vehicle serviceToyota SERApublic2025-09-21 11:20
ReporterDigitalMy 
PrioritynormalSeveritymajorReproducibilityN/A
Status closedResolutionfixed 
Summary0000066: TOYOTA SERA brake pads and disk replacement EXY10
Descriptionpads - original Toyota /04465-10040
disc - substitute /43512-10110
Tagsトヨタ セラ

Relationships

related to 0000065 closedDigitalMy Change tyres and disk (wheels) on Toyota Sera: to near R16 (white) and low profile near 40mm 
related to 0000095 progressDigitalMy Replace (fix) EXY10 car suspension broken after winter 
related to 0000129 assignedDigitalMy Electric drive for rear wheels on Toyota Sera EXY10 car 
related to 0000133 resolvedDigitalMy Repair brake system on Toyota Sera EXY10 

Activities

DigitalMy

2013-10-07 11:16

administrator   ~0000047

Last edited: 2018-09-16 10:18

View 11 revisions

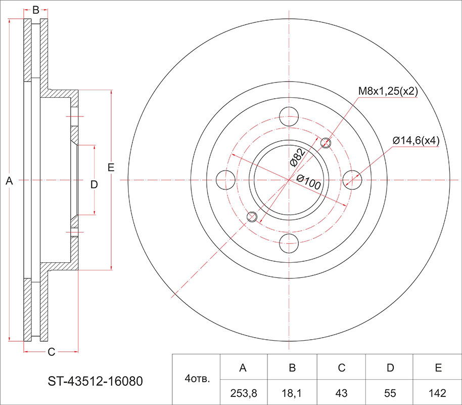
FRONT BRAKE
PADs:

bought Toyota (original) /04465-YZZAA (4 pads, front)
-> replaced 2014 with support repaired

on other car used pads Kashiyama D2023 (4 pads, front)


DISC:
D=254mm/55mm H=43mm/18mm
43512-10170
43512-16130
43512-16080
compatible TRW DF 4058 -> replaced 2016
-> after 2 years they got completely rusted...

DigitalMy

2014-04-30 11:27

administrator   ~0000106

Last edited: 2018-09-16 10:17

View 6 revisions

Additionally:
replace front right wheel BOLT, HUB (FOR FRONT AXLE) -> done
in EXY10 white replaced -> done

DigitalMy

2018-02-07 10:32

administrator   ~0000612

Last edited: 2021-04-11 12:53

View 4 revisions

2018 change front:
pads SAT ST04465YZZ50
disc SAT ST4351216080

changed in 2021 both sides (front, white)

DigitalMy

2021-04-11 12:55

administrator  

st-43512-16080.jpg (134,714 bytes)
st-43512-16080.jpg (134,714 bytes)