View Issue Details

IDProjectCategoryView StatusLast Update
0000095vehicle serviceToyota SERApublic2025-09-21 11:15
ReporterDigitalMy 
PrioritynormalSeverityminorReproducibilityN/A
Status progressResolutionopen 
Summary0000095: Replace (fix) EXY10 car suspension broken after winter
DescriptionFound 2014-2019 Toyota Sera damages:

5. drive shafts *2 -> to fix
5.1. / 43410-10150 (rh) (+ 43410-10160 (rh)
5.2. / 43420-10150 (lh) , including: SHAFT ASSY, FRONT DRIVE OUTBOARD JOINT /43420-10160 (lh) (+ or 43470-19475)

9.1. top support seat and insulator

14. engine mounting insulators

15. REAR suspension BUSH

Additional InformationFinished:

1. draglinks (steering) *2 /45503-19155 or /45503-19185 ->delay (no problem found by me in 2014) -> replaced 2018-01 -> done

2. steering tips (END SUB-ASSY, STEERING RACK, FRONT) *2 /45046-19205 ->delay, one replaced (R) -> replaced 2018-01 -> done

3. bearings front axle 2 *2 /90369-35029 -> replaced right one in 2017, now no problem with sound from it -> done

4. 0000066 -> done

6. shaft boots (seal, BOOT KIT, FRONT DRIVE SHAFT) *2 / 04438-12171 ->replaced 2016 -> done

7. transaxle filter (together with gearbox), STRAINER ASSY, VALVE BODY OIL filter /35330-12020 -> delay, replaced with "new" unit 0000080 -> done

8. PAN SUB-ASSY, AUTOMATIC TRANSAXLE OIL /35106-12070 -> delayed, replaced with "new" unit + gasket /35168-12020 -> done
9. Front shock absorbers -> done replaced
10. rear shock absorber /48530-18030 (48530-18010) *2 -> 600x160x150 -> (Kayaba 341082 or Tokico U2940) , chosen Tokico U2940 -> done
+ spring coil /48231-10240 *2 -> OBK C4T16052 -> done

11. FRONT STABILIZER *2 + CUSHION, FRONT STABILIZER /48817-10020 (also Febest 0123EXZ10F or SWAG 81 94 2982) -> done

12. Front brake support (fix with grease) -> 0000133 -> fixed with seal kit (Frenkit 251012) -> done

13. silentblock replacement for ARM SUB-ASSY, FRONT SUSPENSION, LOWER *2 / Febest (TAB-051 + TAB-052)*2 -> done 2018

16. Rear axle bearing -> done 2016
Tagsトヨタ セラ

Relationships

related to 0000066 closedDigitalMy TOYOTA SERA brake pads and disk replacement EXY10 
related to 0000080 resolvedDigitalMy Change transmission unit (+ oil and filter) on Toyota Sera EXY10 
related to 0000104 resolvedDigitalMy Repair suspension damages on SERA (EXY10) 

Activities

DigitalMy

2014-05-06 14:48

administrator   ~0000120

Last edited: 2018-09-17 20:01

View 7 revisions

16.
Rear axle:

ordered NK 764514 bearing
as replacement for 90366-17010 (external bearing) + 90366-27001 (internal bearing) + 90311-38037 (seal) + 90252-04001 (split pin)
-> installed
after 1 ride got backlash again,
adjusted tension with wrench
-> done 2016

DigitalMy

2014-07-23 08:32

administrator   ~0000157

Last edited: 2025-09-17 22:19

View 18 revisions

5. Front axle
 try:
run gear when front wheel up (use jack)
-> done
-> got crack sounds in shaft(s): CV(s) or bearing(s), left side more than right,
inner end more that outer,
also both hub bearings to be replaced.

replace both sides (bearing and seal)
FOR FRONT AXLE HUB:
bearing D=35\68mm H=33mm /90369-35029 -> replace H12016JC (BTA)* or
Koyo DAC3568W-6CS81
+ RING, HOLE SNAP /90521-75003
+ SEALs /04422-10040 -> Musashi T1284

Currently: hub nut is M22x1.5mm, wrench 30mm + both sides, front L+R

make shaft check and switch to used shaft(s) rebuilt
on RIGHT and LEFT side + compatible ABS axle HUB(s)
 
no need to use any compatible with "ABS",
Installed "Right" hub with ABS and old CV shaft there without ABS,
-> no need to prepare "ABS" shaft and replace it:
put on COVER, FRONT DRIVE SHAFT DUST, RH
-> also hub bearing is not very silent on "R" side

do need to prepare "L" ABS set: replace BOOTs (KIT, FRONT DRIVE SHAFT)
buy "L" axle hub

use special CV remover to separate -> not helped, use angle grinder for cut CV
keep each side set of parts (hub+shaft+nut) of the same type

DigitalMy

2014-08-11 10:57

administrator   ~0000162

Last edited: 2018-09-13 00:17

View 7 revisions

1. STEERING RACK /44250-18010
ordered and received used assy
-> but test above does not show this rack mulfunction -> delay replacement

2. Replaced END SUB-ASSY, TIE ROD, RH
 on right side after 1 year (was damaged indeed) with original used. /45046-19205
replacement had not fixed main rattling (from hub bearing),
original nut M12

DigitalMy

2014-08-25 10:24

administrator   ~0000171

Last edited: 2018-09-18 09:29

View 7 revisions

9. Shock absorber
FRONT
9.2. ABSORBER ASSY, SHOCK, FRONT
/48510-18010 rh -> Tokico B2186 (with fatter rod) -> replaced
(was B2188 with thinner rod)
/48520-18010 lh -> Tokico B2187 (with fatter rod) -> replaced
(was B2189 with thinner rod)
9.3. BUMPER, FRONT SPRING, NO.1 - protect from dust, rubber
/48331-16060 *2 -> Febest TSHB20 -> installed
9.4. SPRING, FRONT COIL
/48131-16660 *2 -> Masuma CS1014 -> replaced (was the same)

9.5. Seal in the absorber upper plates /90303-22049
 (ordered Febest TSD001) -> to replace 2018



Also have old absorbers KYB 333067 (R) + 333068 (L)
Monroe

DigitalMy

2014-08-25 10:25

administrator   ~0000172

Last edited: 2018-09-18 09:42

View 8 revisions

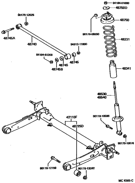
10. Shock absorber
REAR suspension

10.1. ABSORBER ASSY rear /48530-10090 or 48530-10260 (original /48530-10080) *2 ->
TOKICO U2940 -> bought (EMEX) ->replaced

10.2. Coil spring rear /48231-10240
can be replaced with OBK C4T16052 -> delay (it was OBK already, C4T16052H ?)

10.3. boots BUMPER, REAR SPRING *2 /48341-10090
-> ordered original (exist), installed 2014

10.4. RETAINER(FOR REAR SUPPORT TO REAR SHOCK ABSORBER) *2 /90948-02082
-> ordered original (exist), installed 2014

DigitalMy

2014-08-25 10:50

administrator   ~0000174

Last edited: 2018-09-18 09:15

View 6 revisions

9.1. Replace later top of front stand (both):
9.1.1. SUPPORT SUB-ASSY, FRONT SUSPENSION *2 /48609-18010 - plate with 4pcs screw
9.1.2. 48680D SEAL, DUST(FOR FRONT SUSPENSION SUPPORT) /90303-22049 -> 9.5
9.1.3. SEAT SUB-ASSY, FRONT SPRING, NO.1 *2 /48044-10030 - plate under support
9.1.4. INSULATOR, FRONT COIL SPRING, UPPER *2 /48157-10020 - inside plate


Support part was /48681-18010 ? (above support)

DigitalMy

2014-09-24 14:27

administrator   ~0000182

Last edited: 2018-09-18 13:49

View 5 revisions

15. REAR suspension: execute extended test and conclude...

BUSH, REAR SUSPENSION ARM, NO.3 *2 /48725-10031 -> replace /48725-10040 or /48725-16150
L=60mm D=55mm d=12.5mm l=44mm
compatible MTP MTA108 , Febest TAB-071 -> later

BUSH, LATERAL CONTROL ROD *2 /90385-18015 -> later

DigitalMy

2018-02-07 19:14

administrator   ~0000615

Last edited: 2018-09-18 13:57

View 6 revisions

13. FRONT suspension arms:

Replace both ARMs with silentblocks:
left /48069-16060 /48069-10070 (purchased CTR CQT-17L)
right /48068-16060 /48068-10090 (purchased CTR CQT-17R)

on left side cracked main BOLT (FOR FRONT SUSPENSION LOWER ARM) /90119-12099

DigitalMy

2018-02-07 19:53

administrator  

DigitalMy

2018-02-07 22:41

administrator  

DigitalMy

2018-02-08 10:30

administrator  

draglink_steering.png (49,024 bytes)
draglink_steering.png (49,024 bytes)

DigitalMy

2018-02-08 10:32

administrator  

DigitalMy

2018-02-08 10:53

administrator  

DigitalMy

2018-02-08 23:49

administrator   ~0000616

Last edited: 2025-09-21 10:55

View 6 revisions

11) Stabilizer bar (front) link (vertical connector) to arm:
prepare two sets of assy:
need 4pcs rubber cushion and 2pcs M8 W12 nuts on each side (L,R)

CUSHION, FRONT STABILIZER /48817-10020
purchased SAT ST4881710020, similar cheaper SAT ST4881730020 has W=13mm nuts

prepared, replaced 2018-08-31 (w) -> done


11.1) BUSH, FRONT STABILIZER BAR, NO.1 /48815-10090
2pcs replaced compatible "Febest TSBRZJ120R" 2018-08-31

cracked /91611-60822 bolt for front stabilizer bush bracket, 4pcs, Wrench=12mm
one broken in body M6*20? -> drilled out, replaced 2018 from other car -> done

DigitalMy

2018-03-04 09:15

administrator  

CQT-17L_ CQT-17R_CTR.JPG (210,583 bytes)
CQT-17L_ CQT-17R_CTR.JPG (210,583 bytes)

DigitalMy

2018-07-26 16:06

administrator   ~0000675

Last edited: 2018-09-04 18:16

View 5 revisions

14. Engine support (12371A INSULATOR, ENGINE MOUNTING, REAR) bottom center /12371-11280 /12371-11340 /12371-11360
"silent block"
-> do inspection first

DigitalMy

2018-07-26 16:06

administrator  

engine_mounting.png (73,551 bytes)
engine_mounting.png (73,551 bytes)

DigitalMy

2018-09-18 13:50

administrator  

90303-22049_.jpg (8,272 bytes)
90303-22049_.jpg (8,272 bytes)

DigitalMy

2019-03-09 20:47

administrator  

ABS_EXY10_scheme.jpg (163,060 bytes)
ABS_EXY10_scheme.jpg (163,060 bytes)

DigitalMy

2020-05-18 14:52

administrator   ~0002905

Last edited: 2021-04-11 16:09

View 3 revisions

2020:
wheel nut damaged left on bolt right front,
drill out with 12mm (cobalt-coated) and install new bolt -> done

right arm bent (impact) -> replace arm -> done

0002345