View Issue Details
ID | Project | Category | View Status | Date Submitted | Last Update |
---|---|---|---|---|---|
0001344 | vehicle service | Toyota SERA | public | 2021-03-28 19:28 | 2025-09-18 11:10 |
Reporter | DigitalMy | ||||
Priority | normal | Severity | minor | Reproducibility | always |
Status | assigned | Resolution | open | ||
Summary | 0001344: Fix basic gray EXY10 | ||||
Description | 1) Got front headlamp since there is changed hood , must fit lamp from VAZ 2113 2114 2115 TF1404H ProSport RS-01696 or RS-01859 > they are much different from original, need additional hand remake 2) Got main radiator for Sera 5E engine SAT TY0001-EP80 similar, but width (640mm) is 20mm smaller than original > got this replacement (2021-05-02) Get cap D=37-41mm,in=30mm /16401-72090 or 16401-20353 or 16401-36030 Compatible SAT R102A or R103B 3) Got wheels R16 inch 6.0 inch wide disk -> installed with tyre 195mm*45% > 16 simple nuts used (2021-04-24) | ||||
Tags | No tags attached. | ||||
|
1) install custom headlamp prepared (from Lada tuning) make changes with cut and deformation, see wiring repair in 0004374 There was additional relay, and 4-pin connectors, which is not enough for block: H) high beam L) low beam C) clearance as DRL G) ground to frame T) turn signal Original headlamps: R /81110-18010 L /81160-18010 |
|
2) Measure main radiator and compare with current holey, width is 660mm Installed SAT in 2021 engine cooler with old fan |
|
4. repair front and rear shock absorbers dustcoats (both sides) 4.1. All 4pcs dust coat on suspension missing (2024) 4.2. Replace dustcoat on front left CV external 4.3. Replace Seal on front left ball joint support |
|
5. turn lights missing 5.1. Turn signals in fenders (side turn) > found in stock > installed > tested OK > glue 5.2. Turn signals in front bumper (turn) > found and purchased pair > insert bulbs (original 21W) > repair wiring + 1 bolt missing fix wiring and connectors > from donor car > got connectors (one left side soldering): Left Green-black (+12V after blinker and switch), White-black (-) to frame GND lines are crimped and go to frame (-) each side has only one +12V wire comes from main harness, after that this one power line joined with two wires from bulb sockets by crimp Left: G-B + W-B (GND) Right: G-Y + W-B (GND) each turn light in parallel with rear and panel (combination meter indicator), total 4pcs bulb each side, hazard switch changes "turn" blinker power line to BAT power source, from normal mode key switched power |
|
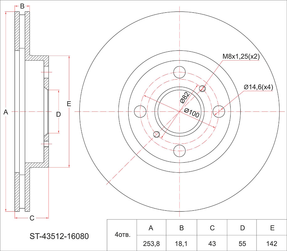
6) brake line (front left) brake disk front right change brake fluid, test supports |
|
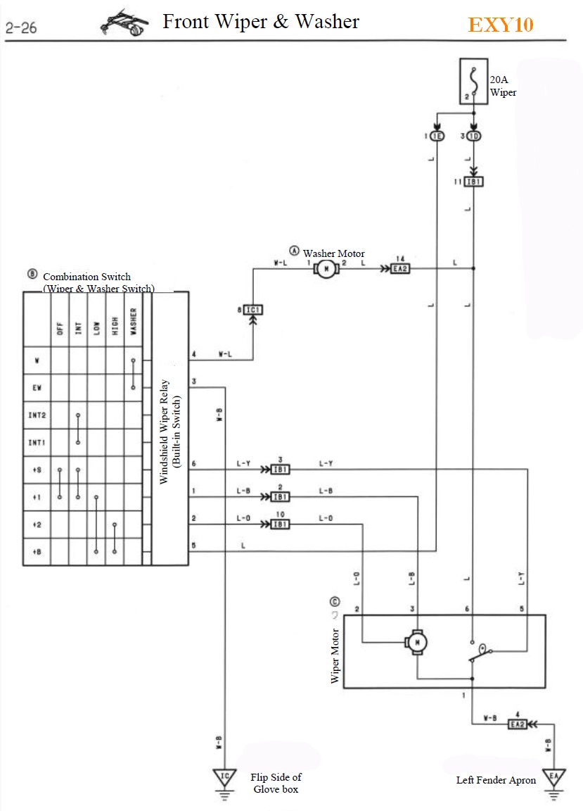
7. windshield washer missing 7.1. install washer system and connect water tubes and wires 7.2. wiper damaged right /85212-18010 or /85212-18011 or /85212-18012 = 530mm left /85222-12692 or /85222-18010 = 430mm purchased rubber replacement LEDO 530LWBP Replace new set 7.3. Wiper motor working on mid speed non-stop, fix electrical part, relay stucked, soldered new, check switch seems to be wrong /84650 SWITCH ASSY, WINDSHIELD WIPER /84652-18010 /84652-16430 0007461 Fixed |
|
2.1. mounting for radiator 2pcs bottom 16535-63021 2 pcs top 16505-11120 used bottom custom parts used donor top parts, including cap radiator mounted 2.2. mounting for power set (engine+AT) 0007455 |
|
7.11. Repair washer wiring starting from switch (negative control: join frame to motor) 7.12. Repair wiper wiring starting from switch (positive control: speed control by integrated relay timer) |
|
8) Oil leak on crankshaft (possibly) - replaced seal BG OS5311 d=35mm D=49mm h=6mm /90311-35035 or /90311-35040 or /90311-35013 Maybe cheapest: Payen NJ353 Elwis royal 8452810 this was not a problem here, leak seemes to happen upper |
|
9) replace left door roof glass /68126-18010 |
|
12. Sera (gray) fuel not coming, fixed: 12.0. Fuel pump motor death, replaced compatible pump 2024-08-11 DELON A555RN1593 0007496 |
|
10.0. replaced head cap seal camshaft (timing belt side leak fixed) because was NAK TGR 35 48 7 (not D=49mm) /90311-35013 /90311-35040 /90311-35035 10.1. Replaced timing belt Contitech CT1030 was 128YG26 /13568-11100 /13568-19116 /13568-19115 10.2. Replaced timing belt guide on crankshaft /13566-11020 |
|
11.1. Replaced alternator belt 4PK825 -> installed (2024) "TOP DRIVE" smaller belts like 4PK823 do not fit here |
|
13.0. starter wiring needs connector lockable 13.1. adjust external relay used there, fix on frame |
|
14. Missing original intake throttle body assy Toyota Aisan /22210-11150 /22210-11370 /22210-11280 (also MTM /22210-11140 /22210-11360) throttle "22210-16390" was swapped here before from other model (4A-FE not 5E-FHE) Restored pipes nearby 0007454 Got original throttle Aisan /22210-11370 from my stock -> cleaning done -> installed 2024 gaskets need /22271-11020 /22271-11030 /22271-11030 (15829VLT) and /22215-11110 Find clips for water hoses (leaking cooliant). /90467-11009 Installed throttle sensor /89452-12060 from SERA03 -> set idle position on throttle (same as SERA01 /89452-14020) -> done need missing TPS 3-pin connector for wire harness /90980-11261 -> installed aftermarket noname compatible connector: done |
|
15.1. One more leak near oil pressure sensor (engine Switch Assy) /83530-30080 /83530-30090 /83530-60040 installed compatible aftermarket 0.2bar This switch directly sends signal (GND) to dashboard lamp "oil" in case no pressure reached minimum |
|
16. No charging from alternator 0000121 16.2. Blown 10A fuse number 9 inside -> replaced 16.3. Installed 80A alternator fuse into hood box dual set, as well as 40A AM1 fuse (old stock) used 8mm and 10mm wrench for fuse mounting 16.11. found cut wires on rear window heater - left missing 16.12. found cut antenna wire on rear window |
|
17. Multimedia unit wiring messed up 0007459 17.1. removed BAT connection to ACC pin, fixed to original 17.2. Speakers in doors are destroyed, replace 17.3. Wiring to doors speakers (check showed normal signal) |
|
18. lights position and license plate 18.1. license plate light not working 2-pin connetors in parallel W01: GND (white-black) to frame nearby W02: +12V switched (green) = from position light switch on right side of steering wheel, /84110 SWITCH ASSY, LIGHT CONTROL, NO.1 /84112-80059 joined with front and rear position lights green wire replaced W5W bulb - fixed 18.2. Front position lights cut off, restore green wire |
|
Get door open switch working 0007463 Right side switch damaged by rust, repaired, Left side not working, fixed |
|
19. stay assy weak, need more power 19.1. right door stay assy "68570" = STAY ASSY, DOOR /68570-19015 19.2. left door stay assy /68570-19025 19.3. boot stay R 68950 = STAY ASSY, BACK DOOR, RH /68950-19735 or /68950-19736 /68950-19737 /68950-19738 L 68960 = STAY ASSY, BACK DOOR, LH /68960-19425 or /68960-19426 /68960-19427 /68960-19428 EXY10_back_stay_.tif (403,224 bytes) |